Aston Martin DB7, DB9, DBS, Vantage V8, Vanquish, and Classic models

Help with location of USB/MP3 audio module

Thread Tools
 
Rate Thread
 
Old Jan 3, 2025 | 11:30 AM
  #1  
rhern213's Avatar
Thread Starter
|
Registered User
Joined: Nov 2022
Posts: 33
From: Miami, FL
Rep Power: 6
rhern213 has a spectacular aura aboutrhern213 has a spectacular aura about
Help with location of USB/MP3 audio module

Hi all, I recently picked up a 2014 Rapide S and am having issues with the Most fiber optic modules. I believe I've narrowed down the problem to a signal not reaching the audio input module located under the left driver's side rear seat. However I cannot seem to find the USB AUU module to test that one. I know what it looks like and according to the diagrams online it's supposed to be around the right rear seat, but I've opened both rear seat bottoms and can't find it anywhere there. It's also not in the rear boot.

I'd appreciate it if someone knows where that USB audio module is located so I can test it.
Thanks!
 
Old Jan 4, 2025 | 07:41 AM
  #2  
J doubleU's Avatar
Registered User
10 Year Member
Joined: Mar 2013
Posts: 2,428
From: So Cal
Rep Power: 262
J doubleU Is a GOD !J doubleU Is a GOD !J doubleU Is a GOD !J doubleU Is a GOD !J doubleU Is a GOD !J doubleU Is a GOD !J doubleU Is a GOD !J doubleU Is a GOD !J doubleU Is a GOD !J doubleU Is a GOD !J doubleU Is a GOD !
What is the fault that's happening? Most common is the Sirius module fails and takes down the network. Assuming it's a B&O system? Does the Navigation screen work with reverse camera and USB function?
 
Old Jan 4, 2025 | 09:08 AM
  #3  
rhern213's Avatar
Thread Starter
|
Registered User
Joined: Nov 2022
Posts: 33
From: Miami, FL
Rep Power: 6
rhern213 has a spectacular aura aboutrhern213 has a spectacular aura about
Originally Posted by J doubleU
What is the fault that's happening? Most common is the Sirius module fails and takes down the network. Assuming it's a B&O system? Does the Navigation screen work with reverse camera and USB function?
Yes it's the B&O, I have the typical issue you read about where the entire audio system is inoperable.
When I press the audio on/off button the B&O logo appears on the center display but nothing else happens, no pop-up tweeters.
If I press the menu button I can select through the different audio options, but nothing happens.
The in-dash CD player and RSE changer in the boot have power and do eject and insert discs properly.
Nav screen and reverse camera work fine, USB port in the center console has power and charges my phone.

Yesterday I tested the fiber optic modules I could get easy access to, and I believe I narrowed it down to a faulty amplifier?
I took apart the boot and unplugged the fiber optic cable of the Amp, RSE, Sat radio, and also the audio input module under the left rear seat.
I turned the car on and plugged each optical cable back in one at a time to see which modules provided light.
They all allowed light to pass through except for the smaller black dsp amp.
When the amp was connected it would not allow light to pass through to the next module in line which was the audio input module.
I then used a MOST loop tester on the connector of the amp, and then the light did pass through to the next module.
However even though the light now passed through, the audio system still did not turn on.
I assume maybe since the amplifier is bad and it's not just an individual module, the system will not operate even though the fiber optic line is now clear?

One other thing I noticed is the fiber optic light is not always on stable, it's sort of intermittent where the light flashes on/off every 5 secs or so through the entire line.
​​​​​​
 
Old Jan 4, 2025 | 09:37 AM
  #4  
J doubleU's Avatar
Registered User
10 Year Member
Joined: Mar 2013
Posts: 2,428
From: So Cal
Rep Power: 262
J doubleU Is a GOD !J doubleU Is a GOD !J doubleU Is a GOD !J doubleU Is a GOD !J doubleU Is a GOD !J doubleU Is a GOD !J doubleU Is a GOD !J doubleU Is a GOD !J doubleU Is a GOD !J doubleU Is a GOD !J doubleU Is a GOD !
Hate to say it but it's probably going to be the amplifier after reading your post. The tweeter operation is a sign, and with everything else seems to be working correctly. B&O amplifiers are stupid expensive, so you may want to check with an electronic repair shop to see if it could be repaired.
 
Old Jan 4, 2025 | 03:28 PM
  #5  
rhern213's Avatar
Thread Starter
|
Registered User
Joined: Nov 2022
Posts: 33
From: Miami, FL
Rep Power: 6
rhern213 has a spectacular aura aboutrhern213 has a spectacular aura about
Originally Posted by J doubleU
Hate to say it but it's probably going to be the amplifier after reading your post. The tweeter operation is a sign, and with everything else seems to be working correctly. B&O amplifiers are stupid expensive, so you may want to check with an electronic repair shop to see if it could be repaired.
Thanks for the suggestion I'll look into that
 
Old Jan 5, 2025 | 07:16 PM
  #6  
GA_DB9's Avatar
Registered User
5 Year Member
Joined: Aug 2017
Posts: 273
From: Alpharetta, GA
Rep Power: 70
GA_DB9 Is a GOD !GA_DB9 Is a GOD !GA_DB9 Is a GOD !GA_DB9 Is a GOD !GA_DB9 Is a GOD !GA_DB9 Is a GOD !GA_DB9 Is a GOD !GA_DB9 Is a GOD !GA_DB9 Is a GOD !GA_DB9 Is a GOD !GA_DB9 Is a GOD !
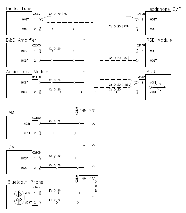
It's hard to tell from the parts diagrams, but it's possible the AUU is under the center console in the rear. The AIM is for the Garmin nav computer to get audio onto the MOST bus as far as I can tell. It should be near the nav unit. The behavior you're seeing with the MOST LED transmitter is normal from what I've seen when the bus is open/broken. Most MOST units only transmit continuously when the bus is whole. Otherwise they're sending intermittent keepalives to the next module on the ring to try to wake it up. You're taking the right approach to troubleshooting the bus. Make sure all modules have power and bypass them out of the ring with the fiber loop connector one at a time until something changes.

This diagram shows the direction and order of the MOST bus in the Rapide.

 

Last edited by GA_DB9; Jan 5, 2025 at 07:30 PM.
Old Jan 6, 2025 | 08:59 AM
  #7  
rhern213's Avatar
Thread Starter
|
Registered User
Joined: Nov 2022
Posts: 33
From: Miami, FL
Rep Power: 6
rhern213 has a spectacular aura aboutrhern213 has a spectacular aura about
Originally Posted by GA_DB9
It's hard to tell from the parts diagrams, but it's possible the AUU is under the center console in the rear. The AIM is for the Garmin nav computer to get audio onto the MOST bus as far as I can tell. It should be near the nav unit. The behavior you're seeing with the MOST LED transmitter is normal from what I've seen when the bus is open/broken. Most MOST units only transmit continuously when the bus is whole. Otherwise they're sending intermittent keepalives to the next module on the ring to try to wake it up. You're taking the right approach to troubleshooting the bus. Make sure all modules have power and bypass them out of the ring with the fiber loop connector one at a time until something changes.

This diagram shows the direction and order of the MOST bus in the Rapide.
That's excellent thank you! I was trying to look for a diagram just like that to help trace how everything is tied together in the line.
 
Related Topics
Thread
Thread Starter
Forum
Replies
Last Post
mmarksx19
Bentley
15
Sep 2, 2024 12:48 PM
Captain Cove
Aston Martin
1
Apr 24, 2022 10:20 AM
randyb
Aston Martin
0
Oct 1, 2016 12:11 PM
kensworth
Cayenne 955/957
2
Sep 9, 2015 05:45 AM
Slider
996 Turbo / GT2
2
Mar 2, 2011 06:45 PM



You have already rated this thread Rating: Thread Rating: 0 votes,  average.


All times are GMT -6. The time now is 07:35 PM.